Ogura Clutch
  小仓 Clutch
OGURA小仓 Clutch 株式会社,成立于1938年,为国际知名的 Clutch 制造商,产品广泛应用于起重机械、包装机械、密封机械、成型机、印刷机械、自动门、农业机械、木工机械、食品机械、建筑机械及医疗机械等各类产业机械。
[ Sumi Machinery ] [联系我们] [AM型] [V型] [TM型] [TMA] [MS] [MMC] [MP] [MZ] [MZS] [MD] [MW] [MCNB] [SNB] [RNB]
[MNB] [MCDB] [FNB] [PNB] [SMC] [OP] [H] [PHT] [PET] [OPL] [干式机械型] [湿式油压型] [气动式] [适配电源]

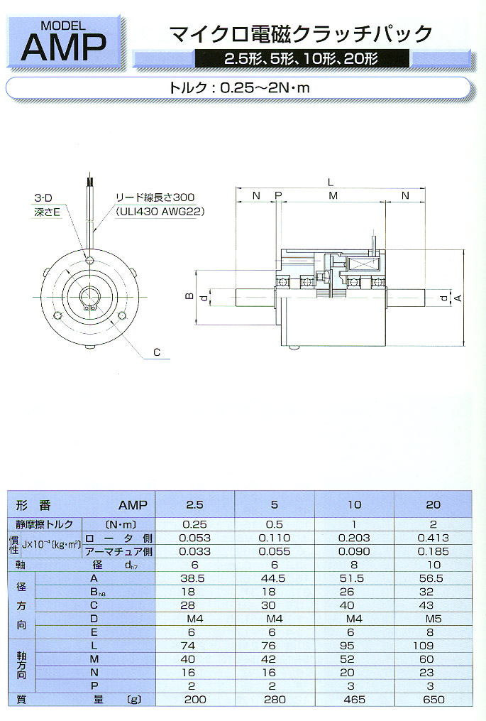
  OGURA-AMP
 
Shanghai Sumi Machinery Co LTD TEL:021-51699529 FAX:021-31268092 EMAIL:sumi@sumi.cn